产品中心product center
当前位置:镇江铭阳重工机械有限公司 >> 万向联轴器 >> SWL-III型整体叉头十字轴式万向联轴器
SWL-III型整体叉头十字轴式万向联轴器
文章出处:镇江铭阳重工人气:发表时间:2018-05-25
.jpg)
所有规格尺寸均可来图定制!


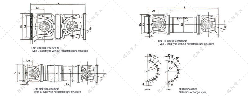
十字万向轴常用连接方式



十字万向轴常用连接方式





