产品中心product center
当前位置:镇江铭阳重工机械有限公司 >> 万向联轴器 >> SWP-C无伸缩短型十字轴式万向联轴器
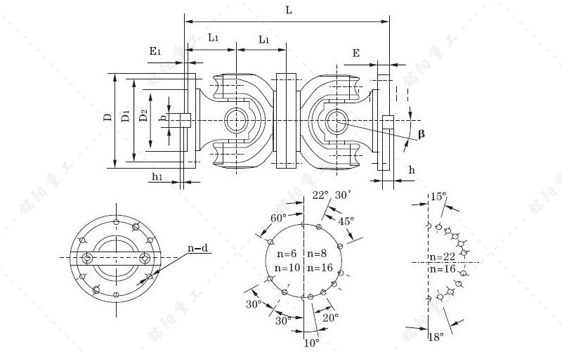
SWP-C无伸缩短型十字轴式万向联轴器
文章出处:镇江铭阳重工人气:发表时间:2018-03-15

所有规格尺寸均可来图定制!


十字万向轴常用连接方式

SWP型万向联轴器主要类型:


十字万向轴常用连接方式

SWP型万向联轴器主要类型:




