产品中心product center
当前位置:镇江铭阳重工机械有限公司 >> 万向联轴器 >> SWC350-DH型(短伸缩焊接式)万向联轴器
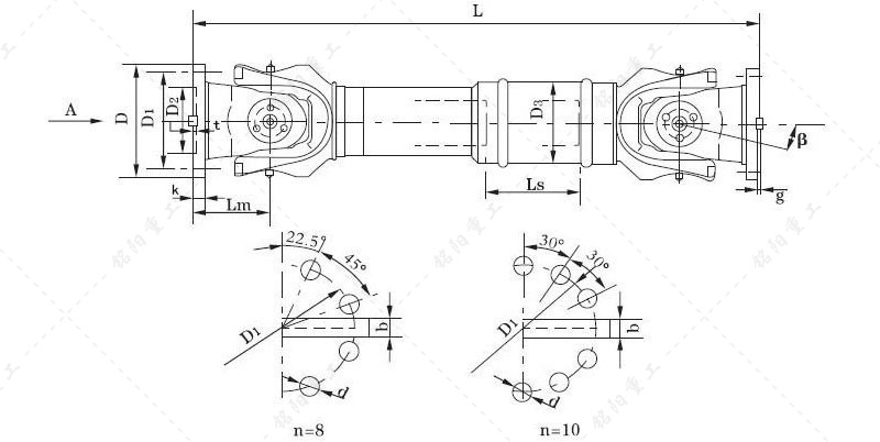
SWC350-DH型(短伸缩焊接式)万向联轴器
文章出处:镇江铭阳重工人气:发表时间:2018-03-15


所有规格尺寸均可来图定制!


十字万向轴常用连接方式

SWC型万向联轴器主要类型:




